|
UMTS“蓝牙”( Bluetooth)技术是由世界著名的5家大公司——爱立信(Ericsson)、诺基亚(Nokia、东芝(TOShiba)、国际商用机器公司(IBM)和英特尔(Intel),于1998年5月联合宣布的一种无线通信新技术。 1.蓝牙技术 “蓝牙”(Bluetooth)原为欧洲中世纪的丹麦皇帝HnddⅡ的名字,他为统一四分五裂的瑞典、芬兰、丹麦有着不朽的功劳。瑞典的Ericsson公司为这种即将成为全球通用的无线技术命此名,也许大有一统天下的含义。 蓝牙技术是一种无线数据与语音通信的开放性全球规范,它以低成本的近距离无线连接为基础,为固定与移动设备通信环境建立一个特别连接的短程无线电技术。其实质内容是要建立通用的无线电空中接口(radio air inteRFace)及其控制软件的公开标准,使通信和算机进一步结合,使不同厂家生产的便携式设备在没有电线或电缆相互连接的情况下,能在近距离范围内具有互用、相互操作的性能(interoperability)。其程序写在一个9mm×9mm的微芯片中。 “蓝牙”技术的作用是简化小型网络设备(如移动PC、掌上电脑、手机)之间以及这些设备与Internet之间的通信,免除在无绳电话或移动电话、调制解调器、头套式送/受话器、PDAs、计算机、打印机、幻灯机、局域网等之间加装电线、电缆和连接器。而且,这种技术可以延伸到那些完全不同的新设备和新应用中去。例如,如果把蓝牙技术引人到移动电话和膝上型电脑中,就可以去掉移动电话与膝上型电脑之间的令人讨厌的连接电缆而通过无线使其建立通信。打印机、PDA、桌上型电脑、传真机、键盘、游戏操纵杆以及所有其它的数字设备都可以成为蓝牙系统的一部分。除此之外,蓝牙无线技术还为已存在的数字网络和外设提供通用接口以组建一个远离固定网络的个人特别连接设备群。 “蓝牙”技术的无线电收发器的链接距离可达30英尺,不限制在直线范围内,甚至设备不在同一间房内也能相互链接;并且可以链接多个设备,最多可达7个,这就可以把用户身边的设备都链接起来,形成一个“个人领域的网络”(Personal areanetwork)。 2.蓝牙4.0技术解析 蓝牙4.0是2012年最新蓝牙版本,是3.0的升级版本;较3.0版本更省电、成本低、3毫秒低延迟、超长有效连接距离、AES-128加密等;通常用在蓝牙耳机、蓝牙音箱等设备上。 速度:支持1Mbps数据传输率下的超短数据包,最少8个八组位,最多27个。所有连接都使用蓝牙2.1加入的减速呼吸模式(sniff subrating)来达到超低工作循环。 跳频:使用所有蓝牙规范版本通用的自适应跳频,最大程度地减少和其他2.4GHz ISM频段无线技术的串扰。 主控制:更加智能,可以休眠更长时间,只在需要执行动作的时候才唤醒。 延迟:最短可在3毫秒内完成连接设置并开始传输数据。 范围:提高调制指数,最大范围可超过100米(根据不同应用领域, 距离不同)。 健壮性:所有数据包都使用24-bitCRC校验,确保最大程度抵御干扰。 安全:使用AES-128 CCM加密算法进行数据包加密和认证。 拓扑:每个数据包的每次接收都使用32位寻址,理论上可连接数十亿设备;针对一对一连接优化,并支持星形拓扑的一对多连接;使用快速连接和断开,数据可以再网状拓扑内转移而无需维持复杂的网状网络。 3.蓝牙4.1技术解析 传输速率更快 支持“多连一”:在蓝牙4.1技术中,就允许设备同时充当“Bluetooth Smart” 和“Bluetooth Smart Ready”,也就是说用户可以把多款设备连接到一个蓝牙设备上 支持IPv6:可穿戴设备上网不易的问题,也可以通过蓝牙4.1来解决,因为,新标准加入了对IPv6专用通道联机的支持。 简化设备连接:将设备间的连接和重新连接进行了大幅修正,可以为厂商在设计时提供更多的设计权限,包括设定频段创建或保持蓝牙连接,从而提升蓝牙设备连接的灵活性。 降低与LTE网络间的干扰:一旦蓝牙4.1和LTE网络同时传输数据,蓝牙4.1就会自动协调两者的传输信息,从而减少其它信号对于自身的干扰,传输速率也就有了保障。 向下兼容,无需更换芯片:4.1不仅可以向下兼容 4.0,更重要的是对现有的4.0设备来说,不需要更换芯片,只需要升级固件就可以免费升级到蓝牙4.1。 4.蓝牙系统组成 蓝牙系统一般由以下4个功能单元组成: * 天线单元 *链路控制(固件)单元 *链路管理(软件)单元 *蓝牙软件(协议)单元 5.蓝牙的工作原理 蓝牙通信的主从关系 蓝牙技术规定每一对设备之间进行蓝牙通讯时,必须一个为主角色,另一为从角色,才能进行通信,通信时,必须由主端进行查找,发起配对,建链成功后,双方即可收发数据。理论上,一个蓝牙主端设备,可同时与7个蓝牙从端设备进行通讯。一个具备蓝牙通讯功能的设备, 可以在两个角色间切换,平时工作在从模式,等待其它主设备来连接,需要时,转换为主模式,向其它设备发起呼叫。一个蓝牙设备以主模式发起呼叫时,需要知道对方的蓝牙地址,配对密码等信息,配对完成后,可直接发起呼叫。 蓝牙的呼叫过程 蓝牙主端设备发起呼叫,首先是查找,找出周围处于可被查找的蓝牙设备。主端设备找到从端蓝牙设备后,与从端蓝牙设备进行配对,此时需要输入从端设备的 PIN码,也有设备不需要输入PIN码。配对完成后,从端蓝牙设备会记录主端设备的信任信息,此时主端即可向从端设备发起呼叫,已配对的设备在下次呼叫时,不再需要重新配对。已配对的设备,做为从端的蓝牙耳机也可以发起建链请求,但做数据通讯的蓝牙模块一般不发起呼叫。链路建立成功后,主从两端之间即可进行双向的数据或语音通讯。在通信状态下,主端和从端设备都可以发起断链,断开蓝牙链路。 蓝牙一对一的串口数据传输应用 蓝牙数据传输应用中,一对一串口数据通讯是最常见的应用之一,蓝牙设备在出厂前即提前设好两个蓝牙设备之间的配对信息,主端预存有从端设备的PIN码、地址等,两端设备加电即自动建链,透明串口传输,无需外围电路干预。一对一应用中从端设备可以设为两种类型,一是静默状态,即只能与指定的主端通信,不被别的蓝牙设备查找;二是开发状态,既可被指定主端查找,也可以被别的蓝牙设备查找建链。 6.结束语 从健身跟踪器到Bluetooth Smart跑鞋,各个可穿戴设备市场都呈现出显著的增长。举凡日常生活用品,如手表、手镯、手套,甚至帽子等,都可以应用蓝牙无线技术将采集来的活动数据,发送到智能终端——智能手机和平板电脑的应用软件上。受到蓝牙可穿戴运动与健身跟踪器在市场上的迅速增长,Bluetooth Smart 技术很快会成为可穿戴技术约定俗成的连接解决方案。蓝牙技术的演变可以说是无线技术进化的一个缩影,从1.0到4.0,从图纸到普及,这个过程中有无数的坎坷,但以用户体验及整个产业的支撑让蓝牙在众多无线技术中脱颖而出是有原因的。从目前来看,蓝牙音频技术的前景最为可观,我们也希望各大厂商能够加入到蓝牙无线当中来,使得无线音频产品得到普及。
CSR创新蓝牙Bluetooth Smart组网智能家居解决方案 1.前言 随着智能终端的普及,产业、技术与市场的成熟,加之国际品牌大厂的推动,物联网(ioT)、智能家居、智能安防已经开始走进人们的生活,它已经不再是一个炙手可热的概念,而是一批批不断涌现并畅销于市场的产品。 智能安防是智能家居的最为重要细分市场之一,而相比与其它智能家居应用,安防的远程监控、远程报警、智能联动的需求更为迫切。试想一下,当家中出现异常 走动,煤气,烟雾问题,不在家中的您可以通过移动设备第一时间了解到家中的异常状况,以及时采取应对策略,减少您的财产损失,保护好您的家人。 2.智能家居的无线技术格局:(Wifi, ZigBee, 蓝牙) WiFi是基础设施: 一般是用于覆盖一定范围(如1栋楼)的无线网络技术(覆盖范围100米左右)。 现存的主要问题:功耗高,价格高,移动性差,组网能力差。 ZigBee 是连接手段: 用于低速率、低功耗场合,比如无线传感器网络,适用于工业控制、环境监测、智能家居控制等领域。 现存的主要问题:推广难度大(需要网关连接网络,安装调试等综合成本高),产品成本高,网络延时不可控。 蓝牙服务移动设备: 目前全球有超过30亿个蓝牙设备,其总数远远超过了wi-fi和zigbee设备的总量,蓝牙的应用延伸到手机、游戏机、耳机、笔记本、汽车等很多应用,蓝牙4.0的推出让蓝牙的应用领域更为拓广。 现存的主要问题:组网能力差。 智能家居现状: Zigbee技术在智能家居推广多年,但市场接受度很低,其中最大的原因1. 成本高 2. 其需要路由与网络连接,使得连接设置复杂,安装费用高,推广难度大。 3、CSR Mesh创新蓝牙解决方案概述 智能终端的普及已经使蓝牙设备握在每个消费者的手中,因此在产品的推广普及方面,相比Xigbee,蓝牙具有先天的优势,消费者无需改变太多,既可以享 受智能家居带来的方便与享受;同时不同于zigbee一直应用于销量有限的工业市场,蓝牙BLE自诞生之日起即服务于大众消费市场,成本及技术门槛比 zigbee要低很多,更加有利于产品的普及。 CSR Mesh创新蓝牙解决方案特别针对智能家庭和物联网应用所做的优化设计,它包含了CSR自订的组态 (configuration),控制协议 (control Protocol),以及CSR 验证过的Bluetooth Smart组件: CSR101x和CSR8811。消费者可在家中任何地方控制调整灯光、温度、家电和保全系统等内建Bluetooth Smart技术的设备或装置。其中,符合CSR Mesh协议的方案并不需要复杂的设定、配对、或使用路由器等存取装置,对消费者而言将更为便利。 CSR Mesh协议利用Bluetooth Smart传送讯息给网络上的其它Bluetooth Smart装置,并接着往前传送。讯息可以指定给个别装置或群组,而装置本身可以隶属于多个群组。控制功能透过标准Bluetooth Smart家电执行,例如运用灯光的开与关,或者藉由智能型手机或平板计算机来执行。 CSR Mesh创新蓝牙解决方案框图 业界对CSR Mesh创新蓝牙解决方案的评价 CSR事业部资深副总裁Anthony Murray表示:”不同于Zigbee或Z-Wave等其它家庭自动化连接方案的是,CSR Mesh让消费者能在家中任何角落透过行动设备直接遥控,它没有距离限制,也不需要依赖集线器。CSR致力推动物联网创新,我们相信这项新的 Bluetooth Smart方案将协助开发商、颠覆市场对于装置控制的旧有印象,开发业者不需其它专利方案或技术就能开发出符合市场期望的产品,也带给消费者一个理想的家 庭自动化环境。“ Murray也指出:“除了能从智能型手机控制之外,CSR Mesh也将让开发业者能建置智能网络,使装置相互直接通讯。这就能实现未来物联网,让消费者建立自动化的智慧家庭,好比说,当他们一走进房间、灯光就 会自动亮起。CSR已支持许多客户开发符合CSR Mesh协议的产品,我们也期待看到这项方案进一步地开启智慧家庭市场。” CSR1010/CSR1011 介绍: CSR 发表针对超低功耗连结装置需求所设计的首款单模单芯片蓝牙低功耗平台 CSR1010 和 CSR1011 。新 CSR uEnergy 平台在一颗单芯片上提供所有必要技术,以协助开发蓝牙低功耗产品,包括射频、基频、微控制器、通过认证的 BluEtooth v4.0 堆栈、以及使用者自订应用。 CSR uEnergy 蓝牙低功耗平台将让以往受限于功率消耗、尺寸和其它无线标准等复杂应用实现超低功耗连接性。 CSR uEnergy 平台已实施最佳化设计,专门使用于支持蓝牙低功耗功能,协助开发小型、成本效益且能源效率的产品。 CSR 芯片只需要一颗单一钮扣型电池就可以使用多年,而且能够被建置到简单的传感器中,例如计步器、心律监测器或者车钥匙链,以及较复杂的低功耗装置,例如可控 制和显示行动电话信息的手表。该平台提供单模芯片,能够与 CSR 的双模芯片相辅相成,进而构成完整的蓝牙低功耗方案。 4、简单的电路设计: 5.开发套件:
基于CC2541蓝牙(BLE)技术的心率监测方案 目前心血管疾病是死亡的主要原因。尽管心脏病突发没有前兆,心率不齐在发作之前是可以被发现的。它可能被用作心脏病发作的主要前兆。所以对于心脏病人来说,如果能实时监测其心率,在病发时迅速进行抢救,无疑是帮助他们挽回生命的最佳办法。 蓝牙 4.0是蓝牙3.0+HS 规范的补充,有双模和单模之分。蓝牙 4.0 双模可以向下兼容蓝牙 3.0 和蓝牙 2.1;蓝牙 4.0 单模就是 BLE(Bluetooth Low Energy),其特点是功耗更低,可以使电池的使用时间更长,成本更低且传输距离更远。专门面向对成本和功耗都有较高要求的无线方案,可广泛用于卫生保 健、体育健身、家庭娱乐、安全保障等诸多领域。 结合蓝牙技术的心率监测方案可以实时的将监测到的心率值传到手机、平板等具有蓝牙 4.0 功能的便携设备,心率数据和导联状态将实时显示在 App 上面,并通过分析采集到的心率数据显示心电波形图。 【方案方块图】 【展示板照片】 【系统功能】 ① 心电信号测量:使用 AD8232 作为模拟前端,将心电信号经过放大、滤波電路送至 ADC 采样端,放大增益为 1000 倍,滤波器带宽为 7 – 25 Hz; ② 心电信号采样:使用 CC2541 内置的 ADC 采样经过放大的心电信号,存储信号数据待分析显示,心电信号幅值最大约为 3 V; ③ 信号数据显示:将心电信号数据进行分析,并于 LCD 显示出心率,以及进行心电波形的简略描绘; ④ 电极脱落监测:监测心电信号测量电极的连接状态,如有脱落则进行相应的报警; ⑤ 信号数据传送:将心 【方案特性】 ① 采用 ADI AD8232 低功耗、单导联、心率监护仪模拟前端 ② 利用 TI CC2541 内部 8 通道的 12 位 ADC 对模拟前端的心率信号进行采用 ③ 蓝牙无线传输采用 TI CC2541 蓝牙 4.0 单模 BLE 片上系统(SoC)解决方案芯片 CC2541 是一款针对 低能耗以及私有 2.4-GHz 应用的功率优化的真正片载系统 (SoC) 解决方案。 它使得使用低总体物料清单成本建立强健网络节点成为可能。 CC2541 将领先 RF 收发器的出色性能和一个业界标准的增强型 8051 MCU、系统内可编程闪存存储器、8-KB RAM 和很多其它功能强大的特性和外设组合在一起。 CC2541 非常适合应用于需要超低能耗的系统。 这由多种不同的运行模式指定。 运行模式间较短的转换时间进一步使低能耗变为可能。
CC2541方框图
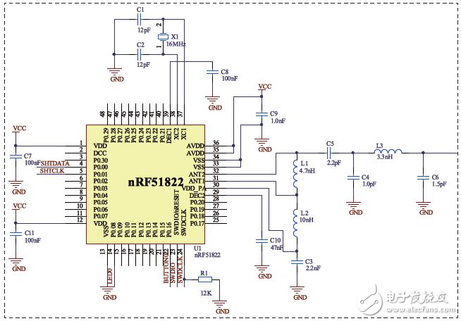
基于蓝牙BLE的温湿度传感器节点设计方案 1.引言 在智能家居和物联网飞速发展的背景下,基于蓝牙4.0标准的低功耗蓝牙 (Bluetooth Low Energy,BLE)技术正被逐步地为人们重视。随着兼容蓝牙4.0标准的智能手机逐步普及,低功耗蓝牙技术也面临着越来越广泛的应用。本设计采用了基 于BLE技术的nRF51822蓝牙SoC芯片和SHT11温湿度传感器设计了一种基于低功耗蓝牙技术的温湿度传感器节点,能够将节点位置的温度和湿度发 送给主机用于显示,可广泛应用于家庭、车间、仓库的温湿度监控。节点采用了低功耗设计,可用一枚纽扣电池供电,实际使用时间可达1年以上。 2.系统结构 本设计的系统结构如图1所示,系统的处理器模块由nRF51822构成,温湿度传感器件采用SHT11,电源采用纽扣电池供电;由处理器模块、温湿度传 感器模块、天线模块、电源模块构成的节点与主机通过2.4GHz的低功耗蓝牙信号通信,主机采用智能手机运行信息采集显示的APP。多个节点可利用应用层 协议与主机组成星形网络。 图1 系统结构图 3.硬件电路 温湿度传感器节点硬件的系统构成如图2所示。 图2 硬件系统结构图 3.1 处理器模块 处理器模块选用Nordic公司的nRF51822芯片。nRF51822是具有CORTEX-M0低功耗内核,支持BLE、Gazell等多协议的低 功耗高速率射频收发器的 SoC。其具有高集成度、低成本、处理能力强、低功耗、小体积等优势,非常适合低功耗蓝牙产品的应用。该芯片具有以下特性:具有Cortex-M0内核, 片上256KB FLASH,16KB RAM,片内包含支持BLE协议的2.4GHz射频收发器。软件可编程输出功率,最高可达+4dBm的输出功率,输出+4dBm功率时,最高工作电流仅为 10.5mA。休眠模式仅为2uA电流。片内包含10-bit ADC、RTC、TWI、SPI、UART等模块,提供最多32个GPIO,具有16个PPI通道。 nRF51822芯片的外围电路简单,采用单端供电,可以使用片内线性稳压器(LDO),输入电压1.8-3.6V;外接16MHz晶振;并配以相应的射频匹配电路。电路图如图3所示。 图3 nRF51822电路图 3.2 温湿度传感器 温湿度传感器采用SHT11。SHT11是瑞士Scnsirion公司推出的一款数字温湿度传感器芯片。主要特点如下:将温度感测、湿度感测、信号变 换、 A/D转换和加热器等功能集成到一个芯片上;提供二线数字符串行接口,接口简单,传输可靠性高;测量精度可编程调节;测量精确度高;封装尺寸超小;测量和 通信结束后,自动转入低功耗模式。 处理器模块利用二线串行数字接口和温湿度传感器芯片SHT11进行通信。DATA数据线需要外接上拉 电阻,电源与地之间要加100nF去耦电容。时钟线SCK用于微处理器和SHT11之间通信同步,由于接口包含了完全静态逻辑,所以对SCK最低频率没有 要求;二线串行数字接口不兼容I2C,必须按照传器协议工资。硬件连接如图4所示。 图4 SHT11连接电路图 3.3 电源及外围电路 电源采用纽扣型电池CR2032,系统设有1个按键与1个LED指示灯,用于连接测试与显示通信状态。电路如图5所示。系统预留SWD编程调试接口。系统使用板载PCB天线,有效通信距离可达10米。 图5 电源及外围电路 4.软件设计 系统软件设计是根据BLE协议,在BLE协议栈基础上构建传感器节点应用程序。蓝牙4.0的BLE协议栈包含两部分:控制器和主机。协议栈的实现采用分 层方式,控制器部分包括物理层、链路层、主机控制接口层;主机部分包括逻辑链路控制及适配协议层、安全管理层、属性协议层、通用访问配置层、通用属性配置 层;上层可以调用下层提供的函数来实现需要的功能[3]。BLE协议栈的结构如图6所示。 图6 BLE协议栈 其中物理层主要定义了通信频率、传输速度、调制方式等;链路层定义了广播状态、扫描状态、数据包格式等;主机控制接口层主要定义了供主机访问控制器统一 命令接口;逻辑链路控制及适配协议层主要是为蓝牙低功耗协议栈高层提供面向连接的数据服务,并为高层协议提供协议复用、包的分段和重组、服务质量等功能; 属性协议层用来发现、读取、写入与其连接的对等设备的属性;通用属性配置层是利用属性协议层来定义一些处理例程,服务的格式以及它们的属性;安全管理协 议,用来定义安全管理的相关协议以及LE设备之间的配对、认证和加密行为;通用访问配置层用来定义一些通用的接口,一些针对不同安全级别的处理程序接口和 一些用于用户接口层进行访问的通用格式要求。 4.1 S110 SoftDevice软件包 nRF51822是nRF51系列中的一员,Nordic公司为nRF51系列提供一系列软件支持。通过使用nRF51设备,可以免费使用蓝牙低功耗以及ANT协议栈中的nRF51应用。 nRF51822 的S110 SoftDevice软件包是预编译二进制蓝牙低功耗协议堆栈,集成了低功耗控制器与主机的功能,可独立编程和更新,提供了全功能的API供系统调用。特 点包括:异步和事件驱动SVC的API;运行时保护;GATT、GAP和L2CAP级别API;广播器功能;GATT客户端和服务器;具有少于128kB 的代码和6kB的RAM使用量,为应用程序留有超过128kB的闪存和10kB的RAM;S110SoftDevice和nRF51822加上nRF51 SDK相互配合,包含全面的蓝牙低功耗配置文件、服务以及示例应用集合。在使用过程中,只需下载nRF51822的S110软件包及nRF51 SDK并安装,即可在软件中调用相关API实现系统功能。 温湿度传感器节点唤醒并进行设备初始化后,响应主机的扫描请求,匹配UUID后建立连接成为从机,接收主机服务和特性,并返回存放了温湿度数据的特性值。之后节点设备断开连接并进入低功耗待机状态。 4.2 温湿度采集 温湿度采集程序包括SHT11的驱动程序,与温湿度采集处理程序。SHT11的通信协议是厂家自定义的,所以在驱动程序设计时,需要用微处理器GPIO模拟通信协议。温湿度采集处理程序流程图如图7所示。 图7 温湿度采集程序 基于蓝牙4.0的智能LED球泡灯方案详解
智能LED球泡灯蓝牙方案可分为四个模块:AC-DC恒压模块、DC-DC恒流模块(其路数由调色效果来决定) 、LED变色模块及蓝牙控制模块。 1智能LED球泡灯蓝牙方案原理 如下图所示,智能LED球泡灯蓝牙方案可分为四个模块:AC-DC恒压模块、DC-DC恒流模块(其路数由调色效果来决定) 、LED变色模块及蓝牙控制模块。以下为各模块功能的详细阐述:
原理框架图 1.1 AC-DC恒压模块 若将AC-DC恒压模块与DC-DC恒流模块结合起来那么便是一个多路恒流输出的LED开关电源,而单从AC-DC恒压模块来看则是一个恒压输出的开关 电源。因为涉及到需要控制改变多路输出的不同状态从而达到调色温调亮度的目的,所以这里不直接采用一体式AC-DC恒流开关电源方案,如若直接采用 AC-DC多路输出芯片进行设计会遇到类似像每路输出产生互相干扰,每路的调光信号产生互相干扰等问题,因此还是采用先由AC-DC恒压,再由DC-DC 实现恒流的模式。此模块主要实现将交流市电转化为直流恒压电平给后路DC-DC模块及蓝牙控制模块供电的功能。 1.2 DC-DC恒流模块 DC-DC恒流模块在AC-DC恒压模块输出的恒压电平的驱动下,通过本身内置的Mos管的开关实现输出恒流的功能。同时DC-DC芯片上带有的模拟调 光脚会根据蓝牙控制模块给出的方波信号对输出恒定电流进行二次调节从而实现智能球泡灯改变亮度,改变色温的个性化功能。DC-DC恒流模块的路数是根据用 户想要的输出变化效果所决定的。若用户只需实现暖色光到冷白光的一个调节,那么只需两路DC-DC模块,若客户需要实现更多更炫彩的调光方案,那就需要至 少四路的DC-DC模块。 1.3输出降压模块 由于蓝牙模块需要的输入电压相对于 后端LED输出电压要小且要求输入的电压稳定及纹波系数要小,所以要在蓝牙模块与AC-DC模块之间需加上一个输出降压模块以达到降压并稳压的目的,若直 接采用简单的阻容降压方式,可能会有瞬间大电流的产生以致于损坏蓝牙芯片。目前市面上有将稳压电路集合在芯片中的产品(LDO),采用这种芯片会让整个设 计方案的体积减小,也使得PCB板布板变得简易。 1.4 LED变色模块 此模块 以输出照明灯光功能为主,如1.2中所提及客户会有自己的一些调光方案选择,若是采用两路DC-DC恒流方案,LED变色模块的铝基板上只需贴 3000K,6500K两种灯珠;若是采用四路的DC-DC恒流方案,此时LED变色模块就需要贴装红色,绿色,蓝色及白色的四款LED。 1.5 蓝牙控制模块 此模块通过天线对手机APP上的操作信息进行接收并输出PWM信号给DC-DC恒流模块,对4路红色,绿色,蓝色,白色LED电流进行调节或者对2路3000K,6500K色温LED电流进行调节,从而让LED变色模块输出用户想要的颜色的灯光。 5 结论 蓝牙4.0的出现给实现智能家居小型化提供了一个可发展的未来,其低功耗,低成本,小体积及传输速率高的特点都符合小型化的发展方向,而在室内使用与进行控制恰恰弥补了其传输距离短的缺陷,综上所述,我们有理由相信蓝牙4.0会在智能家居市场有着一个更长远的发展。
蓝牙和MSP430音频信宿参考设计 描述 TI 的蓝牙 + MSP430 音频散热器参考设计可供客户用于创建各种低端、低功耗音频解决方案的应用。一些可能的应用 - 玩具、低端蓝牙扬声器、音频播放配件。此参考设计是一种经济实惠的音频实施方案,通过参考其提供的完整设计文件,您可以将重心转移到应用和最终产品开发工 作上。此参考设计支持的软件包括 StoNestreet One Bluetopia 蓝牙堆栈(经过认证且免专利费)。 蓝牙和MSP430 音频信宿参考设计 特性 凭借最低成本、最低功耗的 MSP430F5229 实现蓝牙音频功能(SBC 编码/解码) 设计中将音频处理任务从 MCU 转移到蓝牙器件,从而实现低功耗音频 这种经济高效的低端无线音频解决方案,采用 4 层布局和 QFN 封装 此解决方案的内核是 TI 的 CC2564,此内核拥有一流蓝牙性能(+12dBm 输出功率) 设计中还采用了 TI 的低功耗数字输入扬声器放大器(TAS2505) 和 USB 充电管理器件 (BQ24055) CC256x 和 Bluetopia 堆栈均有蓝牙子系统 QDID,因此您可以只需要一份蓝牙最终产品列表 相关器件 1.BQ24055 具有自动 AC/USB 检测功能和PG的800mA单输入单节锂离子电池充电器
BQ24055 功能方框图 2.CC2560 蓝牙 Smart Ready 控制器,TICC256x器件是一款完整的蓝牙BR/EDR/LEHCI解决方案,此解决方案减轻了设计工作并可实现快速上市。基于TI的第七代蓝牙内 核,器件实现了已经证明的解决方案,此解决方案支持蓝牙4.0双模式(BR/EDR/LE)协议。TI的电源管理硬件和软件算法大大节省了所有广泛使用的 蓝牙BR/EDR/LE模式运行的能耗。 CC2560 功能方框图 应用:建筑照明、用于 HMI 和 POS 的单板计算机
|