未来索引
开启左侧

关于调光以及一个药厂展厅会议室的控制方案

  [复制链接]
图久智控 发表于 2012-8-13 10:43:13 | 显示全部楼层 |阅读模式 打印 上一主题 下一主题
郑州邦和制药厂LED调光调试总结
不断进步的消费理念与物质生活需求,使得智能化渐渐的进入我们的视野。邦和制药厂的作为一个高科技生物制药中心,为了方便为客户展示其生物产品,使用了图久楼宇科技的p-bus智能照明产品。使用的大部分灯具为LED灯具
具体要求如下:
系统功能及控制方式
根据需求及现场的情况,主要实现以下控制功能:
l         手动控制:在现场安装开关面板,实现灯光的手动控制;
l         定时控制:对于公共区域照明回路,根据实际应用场所实现定时开关功能;
l         感应控制:在大厅、展示厅等地,安装人体感应设备(如光电开关、压力称重传感器、红外幕帘探测器,由于甲方要求的红外感应距离相对较精确,所我们采用了光电开关,该探测器体积小、红外感应角度窄,抗干扰性强),感应到人之后,控制相应的回路开启;
l         动态控制:在大厅、展厅等地,通过智能控制逻辑实现灯光的动态控制,实现灯光逐个开启和关闭(类似跑马灯)的效果;
l         场景控制:设计场景模式控制功能,实现不同灯光的组合开启、不同灯光与设备组合控制及不同亮度组合控制,实现“一键切换情景”的功能;
详细设计
大厅
大厅实现如下控制功能:
l         感应控制:在现场安装人体感应探测器,当有人参观进入大厅时,踩到装有压力称重传感器的地板时,自动感应并打开相应的地板上的云石灯光片;当人参观大厅左右两面墙壁上的产品时,距离墙面1.5m左右时,感应墙壁上隐藏安装的光电开关,正前方墙面的云石灯光片自动打开,突现产品的背景及方便人员的参观,实现动态控制效果;
l         手动控制:在墙上安装开关面板,可实现灯光回路的手动控制功能,在开关面板上设计全开和全关功能及其它场景功能,可根据要求设计特定的回路单控功能;在大厅门口及服务台设置双控按钮,方便用户操作。
l         场景控制:提供三种场景切换,白天、晚上、节能模式。白天模式适合白天光线较强的情况是使用。晚上模式适合晚上打开,为安防监控及少数人出行提供较为微弱的灯光。
  节能模式对各个区域的灯光进行控制,是综合考虑室内亮度、能源、美观三者的一种灯光控制方案。

展厅
展厅注重的灯光效果,让灯光效果衬托展示效果,同时充分考虑灯光自动化、人性化,主要设计以下控制功能:
l         展示场景:打开展示场景欢迎参观人员的参观,展厅打开LED射灯,保证展厅的基本光度,在参观人员进去展厅前,按下门前的感应开关,使红外幕帘探测器有效,门口红外幕帘探测器被人触发后,展厅中间柱灯从底部至上依次逐渐点亮,从内至外依次打开顶部LED灯带。安装红外人体感应设备,对墙灯、展台灯光实现感应控制,当人在离墙1.5米范围内时,感应吊顶上安装的红外幕帘探测器,墙壁云石灯光片自动开启,离开该距离时,灯光回路延时自动关闭;展台灯光用红外感应自动开关和隐藏到展台后面的开关面板双控。
l         幻灯片场景:一键切换展厅灯光至投影幻灯片模式,为现场提供舒适的照度;
l         无线遥控控制:通过无线遥控器,及时方便的对展厅灯光回路进行集中控制。

会议室
会议室主要实现场景控制功能,并且实现灯光、窗帘、投影联动控制,主要控制功能如下:
l         普通模式:灯光亮度满足基本照明需求。
l         放映模式:投影幕布区域灯光熄灭,仅留远离幕布区域部分基本照明,并实现窗帘、灯光、投影联动,自动关闭窗帘或放下投影幕布,灯光相对昏暗;
l         会议模式:灯光最亮,使参会人员可清楚看到资料。

关于调光原理的概述
正弦波调光器的工作原理
一、关键词名词解释
(1)可控硅(SCR):正式名称是反向阻断三端晶闸管,简称晶闸管(thyristor)
(2)绝缘栅双极晶体管(insulated gate bipolar transistor,IGBT):新一代半导体电力开关器件,是一种复合器件,其输入部控制部分为MOSTER,输出级为双极结型三极晶体管。
(3)IGBT正弦波调光器:采用绝缘栅双极型晶体管(IGBT)做大功率器件,将输入有正负弦谐振波的交流电和电压变成输出无谐振波的交流电和电压称为连贯性正弦波的调光器.
二、可控硅调光器的工作原理
在论述正弦波调光器的工作原理之前,首先回顾一下可控硅调光器的工作原理。如下图所示:
                 图1 可控硅调光器的主回路原理图
1.JPG
ui 输入电源电压,在我国为220V。uo调光器输出电压,外接灯泡。S1,S2 两个可控硅或一个双向可控硅。控制电路在交流电压过零点后延迟一个相位角去触发可控硅S1导通,直到下一个过零点可控硅被反相截止,下一个相位角再触发可控硅S2导通,直到再下一个过零点又被反相截止,这样周而复始地工作。
输入和输出波形如下:
               图2  输入电压电流随时间变化的波形
2.JPG                                                                              
注:为使波形图整齐,纵坐标采用%,最大100%,最小 -100%。横坐标采用°/周期,最大360°/周期。原因是这些波形适合一个宽广的电压和频率范围。如果给定一个固定电压和频率,其适用范围将很小。
                       图3  可控硅调光器的输出波形
3.JPG
    这种输出电压波形在触发点处有一个很陡的前沿,电压突然从零跳变到输入值。如果用它去控制电阻性负载或电感性负载没有什么问题,如果用它去控制具有电容性负载的灯源时,由于电容器二端电压不能实变,于是会产生峰值很高的浪涌电流,这种浪涌电流会产生电磁干扰,破坏电网质量,甚至会损坏电气设备,一般通过串联电感性扼流线圈来降低它的上升时间,减少电磁干扰。因此可控硅调光器引入LC滤波环节。L2 输出滤波电感,C2输出滤波电容(其实这个电容主要指分布电容和负载电容)。其作用是使被斩波后的波形的前沿变为圆角。
                  图4 可控硅调光器增加了滤波环节后的输出波形
4.JPG
三.采用IGBT代替SCR
自从可控硅(晶闸管)发明以来,功率半导体器件从SCR(普通晶闸管)、GTO(门极可关断晶闸管)、TRIS(双向晶闸管)、BJT(双极型晶体管)又称为GTR(电力晶体管)、MOSFET(金属氧化物硅场效应管)、SIT(静电感应晶体管)、SITH(静电感应晶闸管)、MGT(MOS控制晶体管)、MCT(MOS控制晶闸管)发展到今天的IGBT(绝缘栅双极型晶体管)、HVIGBT(耐高压IGBT)、IGCT(集成门极换流晶闸管)。在中、高压功率应用中,要求将最为成熟的晶体管和晶闸管技术与高性价比的门极关断特性有机地结合起来。迄今为止,IGBT与IGCT是符合这种要求的最佳器件。IGCT适合用于低频率,大电流的场合。
只有IGBT才是中高频率,中功率应用的“正弦波调光器”功率器件的最佳选择。因而方达
公司选择IGBT开发“正弦波调光器”。
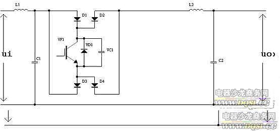
在调光器的主回路不变的情况下,采用IGBT代替SCR。
                 图5  IGBT代替SCR后调光器的主回路示意图
5.JPG
在这种电路中若IGBT和SCR一样工作在相控方式,就会和SCR一样解决不了正弦波形被斩割和产生高次谐波干扰这二大问题,而且由于相控工作方式的工作电流不是在整个正弦波周期内流过控制器件的,因而电能的利用效率较低。输出波形如下
              图6  IGBT调光器工作在相控方式的输出波形
6.JPG
人们偏爱正弦波是因为正弦波形不包含谐波,没有谐波的危害,可以减少损耗并能提高效率。更进一步,电机﹑变压器和其它电气设备设计时都假定了供电电源是正弦的,从而简化了设计。所以想到充分利用IGBT的大电流下,整个周波可控的特点,采用PWM工作方式。使PWM调制波(载波)工作频率高达50KHz(载波频率越高,谐波含量越小,所需要的滤波电感及电容越小,输出电流和电压越逼近正弦波),用富立叶级数展开分析可知,电源电流中不包含低次谐波,只含有和开关频率50KHz有关的高次谐波。谐波电流随次数依次递减,加之滤波电感的存在,谐波电流随次数的减小是很迅速的,由于没有低次谐波,谐波总量是很小的,这有效地保证了输出波形的完美性。方达公司的“IGBT正弦波调光器”的输出电压和电流都为工频正弦波,并且与输入波形完全一样,在高速存储示波器上观测,输出与输入波形完全重合。波形畸变率和谐波所占比率都不足1%。滤波环节前的输出波形如下。
             图7  IGBT调制后的电压电流随时间变化的波形(示意图)
7.JPG
LC滤波后的电压电流随时间变化的波形(幅度较小),为了对比图中给出了输入电压电流随时间变化的波形(幅度较大)。输出电压电流波形在0~输入电压电流波形中间调幅变化。
图8 输出电压电流随时间变化的波形(幅度较小)
8.JPG
输入电压电流随时间变化的波形(幅度较大)
由于大功率高速IGBT及其驱动保护线路成本较高,采用一个整流桥和一个IGBT取代双向的两个IGBT。
图9   纯正弦波调光器的主IGBT回路示意图
9.JPG
为了使IGBT工作更安全,输入增加了LC滤波,用以抑制输入的电压和电流尖峰干扰。
           图10  增加输入滤波纯正弦波调光器的主IGBT回路示意图
10.JPG
为了IGBT换流安全而引入并联快速二极管及保护电容。
       图11  引入并联快速二极管及保护电容纯正弦波调光器的主IGBT回路示意图
11.JPG
为了使它的工作范围宽广(可以应用于阻性,容性,感性),引入了换流环节。以使主IGBT VF!关断时,负载及输出电感中的电流有返回的通路。
             图12  FDL纯正弦波调光器的主回路原理图
12.JPG
输出部分为LC,它本身为一个振荡器,为此引入RC输出滤波器,有效地防止了LC谐波振荡问题,使方达“IGBT正弦波调光器”可以安全稳定地运行。
             图13  FDL纯正弦波调光器的完整主回路原理图
13.JPG
四.我们把上面的FDL纯正弦波调光器的完整主回路原理图和可控硅调光器的主回路原理图对比可见,FDL纯正弦波调光器远比可控硅调光器复杂。加之IGBT又远比SCR贵,再加上复杂的驱动和保护,FDL纯正弦波调光器的成本比同容量的可控硅调光器要高得多。
不过,从下面几个方面综合考虑,购买FDL纯正弦波调光器还是值得的。
1. 输出谐波分量几乎可以忽略(噪声和电噪音污染很低)
——对其它仪器和设备干扰甚小
——无灯丝噪音
    2.没有负载特性限制(适用于任何负载)
    3.对电网电压和频率不敏感(在可控硅调光器不能使用的畸变严重的偏远地区的电网电和小柴油发电机的发电及小容量的直流逆变电,FDL纯正弦波调光器表现出色)
4.节省供配电系统和灯具布线成本高达40%。当国家严格谐波标准后,对电网污染严重的可控硅斩波方式用电比对电网无污染的正弦波方式用电电费高出100%完全可能。更为严重的是随着“绿色照明工程”的推进,以及绿色环保的呼声越来越高,可控硅调光器随时都有可能被迫退出市场,到那时再换成纯正弦波调光器将造成巨大的浪费(淘汰可控硅调光器换成纯正弦波调光器的重复投资不算,仅仅为适用于可控硅调光器供配电系统和灯具布线而增大了的40%容量就是巨大的浪费)。
LED调光原理
LED调光器的原理有三种
1. 波宽控制调光(Pulse Width Modulation,简称PWM)
   将电源方波数位化,并控制方波的占空比,从而达到控制电流的目的。
2. 恒流电源调控
   用模拟线性技术可以轻易调整电流的大小。
3. 分组调控
   将多颗LED分组,用简单的分组器调控。
现在应用最为广泛的是PWM的形式。下面来介绍下有关LED调光的基本概念。
1.        占空比(Duty Cycle or Duty Ratio)
了解PWM调光原理,先得了解一下占空比概念。占空比的解释可以归纳为如下几种:1)在一串理想的脉冲序列中(如方波),正脉冲的持续时间与脉冲总周期的比值。例如:脉冲宽度1μs,信号周期4μs的脉冲序列占空比为0.25。2)在一段连续工作时间内脉冲占用的时间与总时间的比值。3)在周期型的现象中,现象发生的时间与总时间的比。
其实归纳一下也就是电路释放能量的有效时间与总释放时间的比。
2.        PWM调光
脉宽调制(PWM)是利用微处理器的数字输出来对模拟电路进行控制的一种非常有效的技术,广泛应用在从测量、通信到功率控制与变换及LED照明等许多领域中。
通过以数字方式控制模拟电路,可以大幅度降低系统的成本和功耗。此外,许多微控制器和DSP已经在芯片上包含了PWM控制器,这使数字控制的实现变得更加容易了。
简而言之,PWM是一种对模拟信号电平进行数字编码的方法。通过高分辨率计数器的使用,方波的占空比被调制用来对一个具体模拟信号的电平进行编码。PWM信号仍然是数字的,因为在给定的任何时刻,满幅值的直流供电要么完全有(ON),要么完全无(OFF)。电压或电流源是以一种通(ON)或断(OFF)的重复脉冲序列被加到模拟负载上去的。通的时候即是直流供电被加到负载上的时候,断的时候即是供电被断开的时候。只要带宽足够,任何模拟值都可以使用PWM进行编码。
上图显示了三种不同的PWM信号。图1a是一个占空比为10%的PWM输出,即在信号周期中,10%的时间通,其余90%的时间断。图1b和图1c显示的分别是占空比为50%和90%的PWM输出。这三种PWM输出编码的分别是强度为满度值的10%、50%和90%的三种不同模拟信号值。例如,假设供电电源为9V,占空比为10%,则对应的是一个幅度为0.9V的模拟信号。
14.JPG
2.1.       PWM调光技术
下图是一个可以使用PWM进行驱动的简单电路。图中使用9V电池来给一个白炽灯泡供电。如果将连接电池和灯泡的开关闭合50ms,灯泡在这段时间中将得到9V供电。如果在下一个50ms中将开关断开,灯泡得到的供电将为0V。如果在1秒钟内将此过程重复10次,灯泡将会点亮并象连接到了一个4.5V电池(9V的50%)上一样。这种情况下,占空比为50%,调制频率为10Hz。 15.JPG



大多数负载(无论是电感性负载还是电容性负载)需要的调制频率高于10Hz。设想一下如果灯泡先接通5秒再断开5秒,然后再接通、再断开……。占空比仍然是50%,但灯泡在头5秒钟内将点亮,在下一个5秒钟内将熄灭。要让灯泡取得4.5V电压的供电效果,通断循环周期与负载对开关状态变化的响应时间相比必须足够短。要想取得调光灯(但保持点亮)的效果,必须提高调制频率。在其他PWM应用场合也有同样的要求。通常调制频率为1kHz到200kHz之间。
LED调光PWM调光形式需要注意的地方
1.      由于调光输出的是PWM调光信号,是12V低压信号容易受到干扰,需要近灯具安装。邦和项目的灯具使用的是bv线连接,且通过电井平行交错在一起,使得彼此之间干扰加强。
2.      调光驱动使用的是共电源式连接,信号通过相通的电源串行干扰
3.      强电与弱电交叉,对弱电干扰造成闪烁。
该会员没有填写今日想说内容.

精彩评论8

邢远 发表于 2012-8-13 11:53:33 | 显示全部楼层
不错 很专业 嘿嘿
智能技术共享平台 - 未来论 http://www.mywll.com/
回复

使用道具 举报

WUQINGXING 发表于 2013-4-15 22:49:30 | 显示全部楼层
可       以
智能技术共享平台 - 未来论 http://www.mywll.com/
回复

使用道具 举报

qinghan13 发表于 2013-6-9 16:53:31 | 显示全部楼层
真正的技术贴啊
智能技术共享平台 - 未来论 http://www.mywll.com/
回复

使用道具 举报

李小呆 发表于 2013-6-12 20:26:13 | 显示全部楼层
霍霍,好认真啊
智能技术共享平台 - 未来论 http://www.mywll.com/
回复

使用道具 举报

cdmawei 发表于 2013-8-20 08:25:39 | 显示全部楼层
有公司网站
链接吗
智能技术共享平台 - 未来论 http://www.mywll.com/
回复

使用道具 举报

男人的味道 发表于 2014-4-12 10:12:29 | 显示全部楼层
有点太专业了,没太看明白呀!
智能技术共享平台 - 未来论 http://www.mywll.com/
回复

使用道具 举报

IanLi 发表于 2014-10-24 15:28:10 | 显示全部楼层
非常专业的解说~
智能技术共享平台 - 未来论 http://www.mywll.com/
回复

使用道具 举报

一剑封喉 发表于 2015-9-25 14:49:36 | 显示全部楼层
我公司是做无线通信模块的,zigbee模块,wifi模块,蓝牙模块等。可协同传统家居行业厂家(如:中央空调,地暖,灯饰,门锁,窗帘,家电,安防等)实现智能化联网远程控制。我公司是zigbee联盟董事会成员,产品稳定性、可靠性高,可测试验证。感兴趣的朋友可以联系我,15821616312,潘先生。上海顺舟智能科技股份有限公司。谢谢!
智能技术共享平台 - 未来论 http://www.mywll.com/
回复

使用道具 举报

高级模式
您需要登录后才可以回帖 登录 | 立即注册

本版积分规则

发布主题
阅读排行 更多
广告位
!jz_fbzt! !jz_sgzt! !jz_xgzt! 快速回复 !jz_sctz! !jz_fhlb! 搜索

智能技术共享平台 - 未来论

关注服务号

进入小程序

全国服务中心:

运维中心:天津

未来之家:天津 青岛 济南 郑州 石家庄

                商务邮箱:xy@mywll.com

Copyright © 2012-2021 未来派 未来论 (津ICP备16000236号-5)